こんにちは竹林整備の野澤です。【Vol 078】
現在、土壌改良材としての竹炭を、
浮島、JA新利根、いなのすけ、かわち夢楽、みほーすふぁーむの5つの直売所で販売しています。
しかし、ボチボチは売れていますが正直、赤字です(泣)
ですので、直売所では販売が難しいのかもしれません。
そこで私が注目しているのが、画像のような装置でつくる高級竹炭です。
高級竹炭は調湿、脱臭効果は一般的に知られています。
また、バーベキューの炭として売れる可能性があります。
何より腐らないので、直売所で長く保管できます。
この設備は非常に高価ですが、導入するために準備を進めています♪
※参考画像 鈴木工業所 無煙炭焼窯
http://www.sumigama.co.jp/charcoal_kiln.php





私が最も注目しているのは、一般的には知られていませんが、
【保水効果】があることです。
売れるかどうかも大切ですが、この保水力によって、
大雨の二次災害を防ぐ可能性が高いです。
日本では、全国各地で画像のような線状降水帯が頻発しています。
残念ながら、この大雨による被害はますます大きなものになっていくでしょう。
コンクリートやアスファルトが多い都会ほど甚大な被害が予想されます。


それを超える雨量が日本各地で頻発して起きています。
稲敷市も広大な田んぼがありますが、万が一利根川が決壊すれば
その被害は甚大なものになってしまいます。
その防災としての【竹炭の保水力】に注目しています。
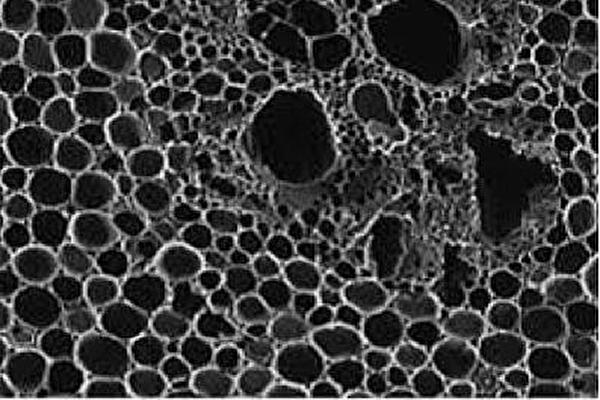
竹炭の表面には画像のように無数の穴があいています(多孔質構造)。
その無数の穴がスポンジの役目をするため、
【土壌の中に雨を浸透させる役目をする】んですね。
本来、森林がこうした保水効果の役目をしてきました。
しかし、山を管理する人たちが高齢化し荒れ放題になっています。
この構図は放置竹林問題も同じです。
現在、私が福井県の実習で取り組んでいる自伐型林業は、
こうした【災害の抑止力になる】と思っています。
稲敷市は、先祖たちが汗水流して守ってきた大切な広大な土地があります。
しかし、そうした土地を守っていく後継者が不足しています。
愚痴や問題点を指摘したところで解決しません。
ただ、そうした問題を共有することで【防災意識が高まっていく】と思います。
私が竹炭にこだわるのは、先祖代々つちかってきた大切な土地を守っていくための
【保水力に注目している】からです。
例えば、大雨で床下浸水などが起きてしまった場合でも、
床下に竹炭をまけば除湿、保水効果によりカビにくい状態になります。つまり、
【竹炭=竹林整備=地域を自分たちで守っていく姿勢】
こうしたことに繋がっていくという信念があるからです♪
偉そうに言っていますが、私にできることには限りがあります。
ですので、今回の投稿で竹炭の可能性を少しでも感じてもらえたら嬉しいです♪
またまた長くなってしまいましたね。
本日も最後までお読み頂きありがとうございます。
追伸 実は念願だった移動式竹炭窯がヤフオクで手に入れることができました。
※画像参照 やはり、【強い信念をもとに行動していると夢は叶う】ものですね♪

竹林整備を始めた理由について
どうして稲敷市地域おこし協力隊として竹林整備を始めたのか?

参考資料もあります↓
https://www.city.inashiki.lg.jp/data/doc/1743554520_doc_281_0.pdf
竹炭販売しています♪
ジモティで竹炭を販売しています。引き取り限定です。
詳しくは⇒https://jmty.jp/ibaraki/sale-oth/article-1hyoax